Dip-Rotary Switch # 4

Alpha Products,Inc. 351 Irving Drive, Oxnard, CA 93030, USA / T:805-981-8666 / F: 805-988-6555

New Products

Connectors

Potentiometers

RF Products

Assemblies

Contact Us

Quote Request

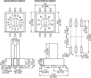
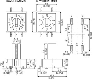
Part number: 3SW/DRHA - - -

 

DIP ROTARY SWITCH,
10 & 16 POS.,
HIGH ACTUATOR,
TERMINALS 3x2, 3x3 & 4x1

Specification

Function

SPST

Operating Force

200 gf max

Non-switching Rating

100 mA @50V DC

Vibration & Shock

acc. with MIL-STD-202F

Switching Rating

25 mA @24V DC

Body Material

UL94V-0 Nylon, black

Contact Resistance

100 mOhm max. initial

Contact Material

Copper alloy, gold plated over Ni

Insulation Resistance

100 MOhm @250V DC

Actuator Material

UL94V-0 LCP white thermoplastic

Dielectric Strength

250V AC for 1 minute

Terminal

Brass, gold plated

Capacitance

5 pF max

Life

20000 operations

Disclaimer: Alpha Products, Inc. makes no warranties, expressed or implied, including warranties of merchantability or fitness or suitability for a particular purpose or application. Under no circumstances shall Alpha Products, Inc. be liable for incidental, consequential, or other damages from alleged negligence, breach of warranty, strict liability, tort, contract, or any other theory, arising out of the use, non use, or handling of these products. Unauthorized duplication, use or downloading of the contents of this site without our written approval is strictly forbidden by US. Laws. Copyright 2013, Alpha Products Inc.