Foot Switch # 4

Alpha Products,Inc. 351 Irving Drive, Oxnard, CA 93030, USA / T:805-981-8666 / F: 805-988-6555

New Products

Connectors

Potentiometers

RF Products

Assemblies

Contact Us

Quote Request

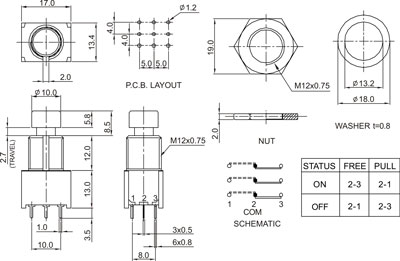
Part Number: 3FS/32P1N

 

FOOT SWITCH,
3P2T, NON-SHORTING,
PCB TYPE

Specification

Rating

6A @125V AC, 3A @250V AC, 4A @30V DC

Dielectric Strength

500V AC for 1 minute

Contact Resistance

50 mA max

Operating Force

1.2 kgf

Insulation Resistance

100mOhm min

Life

30000 cycles

Disclaimer: Alpha Products, Inc. makes no warranties, expressed or implied, including warranties of merchantability or fitness or suitability for a particular purpose or application. Under no circumstances shall Alpha Products, Inc. be liable for incidental, consequential, or other damages from alleged negligence, breach of warranty, strict liability, tort, contract, or any other theory, arising out of the use, non use, or handling of these products. Unauthorized duplication, use or downloading of the contents of this site without our written approval is strictly forbidden by US. Laws. Copyright 2013, Alpha Products Inc.