|
|
 |
 |
|
Alpha Products,Inc. 351 Irving Drive, Oxnard, CA 93030, USA / T:805-981-8666 / F: 805-988-6555
|
 |
|
|
|
PRODUCT SPECIFICATION
|
|
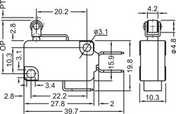
Function
|
SPDT
|
|
|
Rating
|
16A @250V AC / 16A @125V AC
|
|
Case form
|
Basic
|

|
|
Case material
|
Thermoplastic
|
|
Plunger
|
Short roller
|
|
Terminals
|
Quick-connect #250
|
|
|
|
Degree of temperature
|
85° C
|
|
Contact resistance
|
30 mOhm max. initial
|
|
Insulation resistance
|
100 MOhm @500V DC
|
|
Test voltage
|
1000V AC for 1 minute (between terminals of the same polarity)
|
|
3750V AC for 1 minute (between current-carrying metal parts and case, and between each terminal and non-current-carrying metal parts)
|
|
Vibration resistance
|
1.5mm @10~55Hz double amplitude
|
|
Electrical life
|
50,000 cycles min
|
|
Safety approvals
|
UL, CUL, VDE, TUV, SEMKO, DEMKO, NEMKO, FIMKO, CE, EK, CQC
|
|
 |
|
|
|
Disclaimer: Alpha Products, Inc. makes no warranties, expressed or implied, including warranties of merchantability or fitness or suitability for a particular purpose or application. Under no circumstances shall Alpha Products, Inc. be liable for incidental, consequential, or other damages from alleged negligence, breach of warranty, strict liability, tort, contract, or any other theory, arising out of the use, non use, or handling of these products. Unauthorized duplication, use or downloading of the contents of this site without our written approval is strictly forbidden by US. Laws. Copyright 2013, Alpha Products Inc.
|
|
|