LK4-2 Switch

Alpha Products,Inc. 351 Irving Drive, Oxnard, CA 93030, USA / T:805-981-8666 / F: 805-988-6555

New Products

Connectors

Potentiometers

RF Products

Assemblies

Contact Us

Quote Request

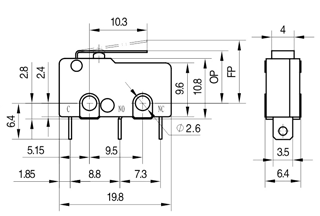
Part Number: 3SW/LK4AZ1 - - F -

Case material options: G - thermosetting, S - thermoplastic

Operating force option

 

Code

2

3

4

5

OF max (N)

0.35

0.6

0.8

1.0

RF max (mm)

0.05

0.15

0.20

0.35

PT max (mm)

1.5

OT min (mm)

0.6

MD max (mm)

12.0

OP max

9.5

PRODUCT SPECIFICATION

Function

SPDT

Rating

10A @250V AC

Plunger

1.7mm

Terminals

Solder

Degree of temperature

85° C

Contact resistance

30 mOhm max. initial

Insulation resistance

100 MOhm @500V DC

Test voltage

1000V AC for 1 minute (between terminals of the same polarity)

1500V AC for 1 minute (between current-carrying metal parts and case, and between each terminal and non-current-carrying metal parts)

Vibration resistance

1.5mm @10~55Hz double amplitude

Electrical life

10,000 cycles min

Safety approvals

UL, CUL, VDE, TUV, CE, CQC

Disclaimer: Alpha Products, Inc. makes no warranties, expressed or implied, including warranties of merchantability or fitness or suitability for a particular purpose or application. Under no circumstances shall Alpha Products, Inc. be liable for incidental, consequential, or other damages from alleged negligence, breach of warranty, strict liability, tort, contract, or any other theory, arising out of the use, non use, or handling of these products. Unauthorized duplication, use or downloading of the contents of this site without our written approval is strictly forbidden by US. Laws. Copyright 2013, Alpha Products Inc.