|
|
 |
 |
|
Alpha Products,Inc. 351 Irving Drive, Oxnard, CA 93030, USA / T:805-981-8666 / F: 805-988-6555
|
 |
|
|
|
|

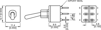
PCB layout

|
|
Code
|
Switching position
|
|
|
|
|
|
A
|
ON
|
NONE
|
ON
|
|
B
|
ON
|
NONE
|
(ON)
|
|
C
|
ON
|
OFF
|
ON
|
|
D
|
(ON)
|
OFF
|
(ON)
|
|
E
|
ON
|
OFF
|
(ON)
|
|
Term. comm.
|
2-3
|
OPEN
|
2-1
|
|
F
|
ON
|
ON
|
ON
|
|
Term. comm.
|
2-3, 5-6
|
2-3, 5-4
|
2-1, 5-4
|
|
|
|
 |
|
|
|
Specifications
|
|
Function
|
DPDT
|
Operating Temperature
|
-30°C to +85°C
|
|
Rating
|
See plating option
|
Case
|
Nylon, GF, UL94V-0
|
|
Contact Resistance
|
10mOhm initial
|
Actuator
|
Copper alloy, Cr plated
|
|
Insulation Resistance
|
1000MOhm min
|
Contact & Terminal
|
Copper alloy/steel
|
|
Dielectric Strengh
|
1500V RMS
|
Seal
|
Epoxy
|
|
Life
|
10,000 cycles
|
Protection
|
IP67
|
|
 |
|
|
|
Actuator options
|
|
Metal
|
Plastic
|
|

|
Code
|

|
Code
|

|
Code
|
Color
|

|
Code
|
Color
|
|
1
|
2
|
3
|
Black
|
6
|
Black
|
|
4
|
White
|
7
|
White
|
|
5
|
Silver
|
8
|
Silver
|
|
 |
|
Bushing options
|
Vinyl cap options
|
|
Code “N”
|
Code “E”
|
Cap for code “1” actuator
|
Cap for code “2” actuator
|
|

|

|

|
Code
|
Color
|

|
Code
|
Color
|
|
A0
|
transparent
|
B0
|
transparent
|
|
A1
|
white
|
B1
|
white
|
|
A2
|
black
|
B2
|
black
|
|
A3
|
red
|
B3
|
red
|
|
A4
|
yellow
|
B4
|
yellow
|
|
A5
|
blue
|
B5
|
blue
|
|
A6
|
green
|
B6
|
green
|
|
A7
|
orange
|
B7
|
orange
|
|
 |
|
|
|
Termination options
|
|
Solder, code “B”
|
PCB, code “C”
|
Quick connect, code “Q”
|
Wire wrap
|
|

|

|

|

|
|
Code
|
Dim “A”
|
|
W1
|
19.1 [0.750]
|
|
W2
|
10.8 [0.425]
|
|
|
|
 |
|
Contact plating options
|
|
Code
|
Contact plating
|
Terminal plating
|
Rating
|
|
Q
|
Silver
|
Silver
|
6A @125V AC or 28V DC; 3A @250V AC
|
|
R
|
Gold over nickel
|
Gold over nickel
|
0.4VA max @20V AC or DC max
|
|
G
|
Gold over silver
|
Gold over silver
|
0.4VA max @20V AC or DC max 6A @125V AC or 28V DC; 3A @250V AC
|
|
 |
|
Support bracket options
|
|

|

|
Code
|
Dim “A”
|
|
1
|
11.7 [0.460]
|
|
2
|
16.0 [0.630]
|
|
3 snap-in
|
11.7 [0.460]
|
|
4 snap-in
|
16.0 [0.630]
|
|

|
Code
|
Dim “A”
|
|
5
|
11.7 [0.460]
|
|
6
|
16.0 [0.630]
|
|
7 snap-in
|
11.7 [0.460]
|
|
8 snap-in
|
16.0 [0.630]
|
|
 |
|
|
|
Disclaimer: Alpha Products, Inc. makes no warranties, expressed or implied, including warranties of merchantability or fitness or suitability for a particular purpose or application. Under no circumstances shall Alpha Products, Inc. be liable for incidental, consequential, or other damages from alleged negligence, breach of warranty, strict liability, tort, contract, or any other theory, arising out of the use, non use, or handling of these products. Unauthorized duplication, use or downloading of the contents of this site without our written approval is strictly forbidden by US. Laws. Copyright 2013, Alpha Products Inc.
|
|
|