Sealed Ultra-Miniature Toggle Sw # 1

Alpha Products,Inc. 351 Irving Drive, Oxnard, CA 93030, USA / T:805-981-8666 / F: 805-988-6555

New Products

Connectors

Potentiometers

RF Products

Assemblies

Contact Us

Quote Request

Fig.

Specifications

Function

SPDT / DPDT

Operating temperature

-30°C to +85°C

Rating

0.4VA @28V DC max

Case

Nylon 4/6

Contact resistance

100mOhm initial

Actuator

Nylon

Insulation resistance

500MOhm min

Frame

Nylon 4/6

Dielectric strengh

250V AC for 1 minute

Terminal

Bz, gold or tin plated

Life

10,000 cycles

Contact

PhBz, silver plated

Part number:
3SW/493UT- -C-

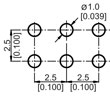
PCB layout

Function

Code

Code

Switching position

 

 

 

A

ON

NONE

ON

B

ON

OFF

ON

Term. comm. (SPDT)

2-3

OPEN

2-1

Term. comm. (DPDT)

2-3, 5-6

OPEN

2-1, 5-4

SPDT

1

DPDT

2

Disclaimer: Alpha Products, Inc. makes no warranties, expressed or implied, including warranties of merchantability or fitness or suitability for a particular purpose or application. Under no circumstances shall Alpha Products, Inc. be liable for incidental, consequential, or other damages from alleged negligence, breach of warranty, strict liability, tort, contract, or any other theory, arising out of the use, non use, or handling of these products. Unauthorized duplication, use or downloading of the contents of this site without our written approval is strictly forbidden by US. Laws. Copyright 2013, Alpha Products Inc.