Tact Switch # 14

Alpha Products,Inc. 351 Irving Drive, Oxnard, CA 93030, USA / T:805-981-8666 / F: 805-988-6555

New Products

Connectors

Potentiometers

RF Products

Assemblies

Contact Us

Quote Request

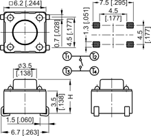
6 x 6mm surface mount switch, gull wing terminals, round stem

Part number

Dim “H”

Color of stem / Operating force

SW/TS0M610

4.3
[.169]

K = BLACK / 100gf

N = BROWN / 160gf

R = RED / 260gf

S = SALMON / 320gf

Y = YELLOW / 520gf

SW/TS0M620

5.0
[.197]

SW/TS0M630

7.0
[.275]

SW/TS0M650

9.5
[.374]

SW/TS0M660

13.0
[.512]

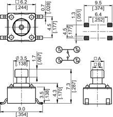
6 x 6mm surface mount switch, gull wing terminals, square stem

Part number

Dim “A”

Dim “B”

Color of stem / Operating force

SW/TS0M644

2.4
[.095]

1.6
[.063]

K = BLACK / 100gf

N = BROWN / 160gf

R = RED / 260gf

S = SALMON / 320gf

Y = YELLOW / 520gf

SW/TS0M648

2.8
[.110]

2.0
[.079]

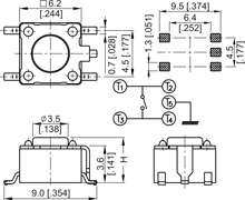
6 x 6mm surface mount switch, gull wing terminals, round stem, grounded

Part number

Dim “H”

Color of stem / Operating force

SW/TSMG610

4.3
[.169]

K = BLACK / 100gf

N = BROWN / 160gf

R = RED / 260gf

S = SALMON / 320gf

Y = YELLOW / 520gf

SW/TSMG620

5.0
[.197]

SW/TSMG630

7.0
[.275]

SW/TSMG650

9.5
[.374]

SW/TSMG660

13.0
[.512]

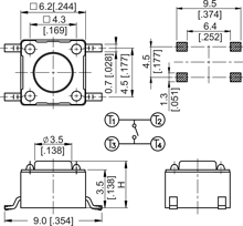
6 x 6mm surface mount switch, J terminals, round stem

Part number

Dim “H”

Color of stem / Operating force

SW/TS0J610

4.3
[.169]

K = BLACK / 100gf

N = BROWN / 160gf

R = RED / 260gf

S = SALMON / 320gf

Y = YELLOW / 520gf

SW/TS0J620

5.0
[.197]

SW/TS0J630

7.0
[.275]

SW/TS0J640

7.3
[.287]

SW/TS0J650

9.5
[.374]

SW/TS0J660

13.0
[.512]

Specification

Rating

50mA @12V DC

Operating Temperature

-25°C to +70°C

Contact Resistance

100mOhm max

Life

50,000 min

Insulation Resistance

100MOhm min @500V DC

Cover

Stainless steel / Ni silver

Dielectric Strengh

250V AC/minute

Base

Nylon, UL94V-0, black / brown

Operating Force

100/160/260/320/520gf

Stem

Nylon, UL94V-0

Stroke

0.25mm

Terminal

Brass, silver plated

Disclaimer: Alpha Products, Inc. makes no warranties, expressed or implied, including warranties of merchantability or fitness or suitability for a particular purpose or application. Under no circumstances shall Alpha Products, Inc. be liable for incidental, consequential, or other damages from alleged negligence, breach of warranty, strict liability, tort, contract, or any other theory, arising out of the use, non use, or handling of these products. Unauthorized duplication, use or downloading of the contents of this site without our written approval is strictly forbidden by US. Laws. Copyright 2013, Alpha Products Inc.