Tact Switch # 32

Alpha Products,Inc. 351 Irving Drive, Oxnard, CA 93030, USA / T:805-981-8666 / F: 805-988-6555

New Products

Connectors

Potentiometers

RF Products

Assemblies

Contact Us

Quote Request

Fig.

Specifications

Rating

50mA @24V DC

Operating temperature

-25°C to +70°C

Contact resistance

100mOhm max

Life

20,000 min

Insulation resistance

100MOhm min @500V DC

Cover

Ni silver

Dielectric strengh

250V AC/minute

Base

Nylon UL 94V-0, black

Operating force

160/260gf

Steam

Nylon UL 94V-0

Stroke

0.25mm

Terminal

Brass w/silver cladding

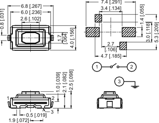
4 x 4 surface mount switch, 0.6mm thick

Part number

Operating force/color of stem

3SW/TTMGN

160gf / brown

3SW/TTMGR

260gf / red

3.5 x 6mm SMT switch, bending terminals, grounded

Part number

Operating force/color of stem

3SW/TTJGN

160gf / brown

3SW/TTJGR

260gf / red

Disclaimer: Alpha Products, Inc. makes no warranties, expressed or implied, including warranties of merchantability or fitness or suitability for a particular purpose or application. Under no circumstances shall Alpha Products, Inc. be liable for incidental, consequential, or other damages from alleged negligence, breach of warranty, strict liability, tort, contract, or any other theory, arising out of the use, non use, or handling of these products. Unauthorized duplication, use or downloading of the contents of this site without our written approval is strictly forbidden by US. Laws. Copyright 2013, Alpha Products Inc.