Tact Switch #  20

Alpha Products,Inc. 351 Irving Drive, Oxnard, CA 93030, USA / T:805-981-8666 / F: 805-988-6555

New Products

Connectors

Potentiometers

RF Products

Assemblies

Contact Us

Quote Request

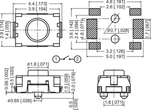
2.9 x 3.9mm vertical push switch, surface mount, flat terminals

Part number: 3SW/TMP F

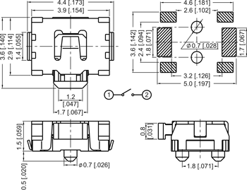
2.9 x 3.9mm vertical push switch, surface mount, bending terminals

Part number:   3SW/TMP L

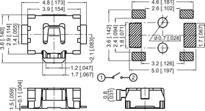
2.9 x 3.9mm side push switch, surface mount, flat terminals

Part number:   3SW/TMPT F

2.9 x 3.9mm side push switch, surface mount, bending terminals

Part number:   3SW/TMPT L

Specification

Rating

50mA @12V DC

Operating Temperature

-25°C to +70°C

Contact Resistance

100mOhm max

Life

100,000 min

Insulation Resistance

100MOhm min @100V DC

Cover

Stainless steel

Dielectric Strengh

100V AC/minute

Base

LCP thermoplastic, white

Operating Force

Slide push = 220gf
Vertical push = 160gf

Stem

LCP thermoplastic, black

Stroke

Slide push = 0.2mm
Vertical push = 0.13mm

Terminal

Brass, silver / gold plated

Disclaimer: Alpha Products, Inc. makes no warranties, expressed or implied, including warranties of merchantability or fitness or suitability for a particular purpose or application. Under no circumstances shall Alpha Products, Inc. be liable for incidental, consequential, or other damages from alleged negligence, breach of warranty, strict liability, tort, contract, or any other theory, arising out of the use, non use, or handling of these products. Unauthorized duplication, use or downloading of the contents of this site without our written approval is strictly forbidden by US. Laws. Copyright 2013, Alpha Products Inc.