|
|
 |
 |
|
Alpha Products,Inc. 351 Irving Drive, Oxnard, CA 93030, USA / T:805-981-8666 / F: 805-988-6555
|
 |
|
|
|
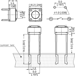
6 x 6mm switch, radial taping type, round stem
|
|
Part number
|
Dim “H”
|
Color of stem / Operating force
|
|
|
|
4.3 [.169]
|
K = BLACK / 100gf
N = BROWN / 160gf
R = RED / 260gf
S = SALMON / 320gf
Y = YELLOW / 520gf
|
|
|
5.0 [.197]
|
|
|
7.0 [.275]
|
|
|
9.5 [.374]
|
|
|
13.0 [.512]
|
|
6 x 6mm switch, radial taping type, square stem
|
|
Part number
|
Dim “A”
|
Dim “B”
|
Color of stem / Operating force
|
|
|
|
2.4 [.095]
|
1.6 [.063]
|
K = BLACK / 100gf
N = BROWN / 160gf
R = RED / 260gf
S = SALMON / 320gf
Y = YELLOW / 520gf
|
|
|
2.8 [.110]
|
2.0 [.079]
|
|
 |
|
|
|
Specification
|
|
Rating
|
50mA @12V DC
|
Operating Temperature
|
-25°C to +70°C
|
|
Contact Resistance
|
100mOhm max
|
Life
|
300,000 min
|
|
Insulation Resistance
|
100MOhm min @500V DC
|
Cover
|
Steel
|
|
Dielectric Strengh
|
250V AC/minute
|
Base
|
Nylon, UL94V-0, black
|
|
Operating Force
|
100/160/260/320/520gf
|
Stem
|
Nylon, UL94V-0
|
|
Stroke
|
0.25mm
|
Terminal
|
Brass, silver plated
|
|
 |
|
|
|
Disclaimer: Alpha Products, Inc. makes no warranties, expressed or implied, including warranties of merchantability or fitness or suitability for a particular purpose or application. Under no circumstances shall Alpha Products, Inc. be liable for incidental, consequential, or other damages from alleged negligence, breach of warranty, strict liability, tort, contract, or any other theory, arising out of the use, non use, or handling of these products. Unauthorized duplication, use or downloading of the contents of this site without our written approval is strictly forbidden by US. Laws. Copyright 2013, Alpha Products Inc.
|
|
|