Tact Switch #  21

Alpha Products,Inc. 351 Irving Drive, Oxnard, CA 93030, USA / T:805-981-8666 / F: 805-988-6555

New Products

Connectors

Potentiometers

RF Products

Assemblies

Contact Us

Quote Request

Fig.

Specifications

Rating

50mA @12V DC

Operating temperature

-25°C to +70°C

Contact resistance

100mOhm max

Life

100,000 min

Insulation resistance

100MOhm min @500V DC

Cover

Stainless steel

Dielectric strengh

250V AC/minute

Base

Nylon, UL 94V-0, black

Operating force

Slide push = 220gf
Vertical push = 160gf

Stem

Nylon, UL 94V-0, black

Stroke

Slide push = 0.3mm
Vertical push = 0.2mm

Terminal

Brass, silver plated

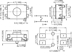
3.5 x 4.7 side push switch, bending terminals, w/o post

3.5 x 4.7 side push switch, bending terminals, with post

Part number:   3SW/TPTL

Part number:   3SW/TPTCL

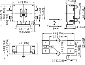
3.5 x 4.7 side push switch, flat terminals, w/o post

3.5 x 4.7 side push switch, flat terminals, with post

Part number:   3SW/TPTF

Part number:   3SW/TPTCF

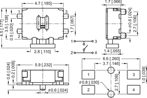
3.5 x 4.7 side push switch, flat terminals, grounded, with post

3.5 x 4.7 vertical push switch, bending terminals, grounded, with post

Part number:   3SW/TPTCFG

Part number:   3SW/TPTCLG

Disclaimer: Alpha Products, Inc. makes no warranties, expressed or implied, including warranties of merchantability or fitness or suitability for a particular purpose or application. Under no circumstances shall Alpha Products, Inc. be liable for incidental, consequential, or other damages from alleged negligence, breach of warranty, strict liability, tort, contract, or any other theory, arising out of the use, non use, or handling of these products. Unauthorized duplication, use or downloading of the contents of this site without our written approval is strictly forbidden by US. Laws. Copyright 2013, Alpha Products Inc.